Is iad na fáinní O na rónta is coitianta a úsáidtear i gcomhpháirteanna hiodrálacha, aeir agus feistí córais, agus úsáidtear iad go forleathan in ócáidí éagsúla ina saothraítear rónta.
Is féidir fáinní O a úsáid mar eilimintí ina saothraítear rónta chomh maith le heilimintí feidhmithe fórsa le haghaidh rónta sleamhnáin hiodrálacha agus fáinní deannaigh. Faoi theochtaí sonraithe, brúnna, agus meáin éagsúla leachtacha agus gáis, is féidir leis na táirgí seo gníomhú mar rónta i stát statach nó i stát atá ag gluaiseacht. Is féidir a rá, sa réimse tionsclaíoch, cibé an séala amháin é le haghaidh deisiú agus cothabhála, nó in iarratais ar nós aeraspáis, tionscal na ngluaisteán, agus tionscal ginearálta, go bhfuil fáinní O i ngach áit.
Gnéithe agus feidhmchláir táirge:
Tá go leor buntáistí ag baint le fáinní O:
.
.
(3) atá oiriúnach do na meáin éagsúla ina saothraítear rónta, lena n -áirítear ola, uisce, gás, meáin cheimiceacha nó meáin mheasctha eile;
.
(5) tá go leor cineálacha ábhar ann;
(6) costas íseal;
(7) Tá an fhriotaíocht cuimilte dinimiciúil measartha beag.
Taispeántar an liosta de chaighdeáin O-fáinne sa tábla thíos:
| Tábla 1-1 Liosta de Chaighdeáin O-fáinne | |||||||
| Caighdeánach | Trastomhas trasghearrthach O-fáinne D2 |
![]() |
|||||
| Caighdeán Meiriceánach mar 568 Caighdeán na Breataine BS 1516 |
1.7 8 |
2.62 | 3.53 | 5.33 | 6.99 | - | |
| Caighdeán na Seapáine JIS B 2401 | 1.9 | 2.4 | 3.1 | 3.5 | 5.7 | 8.4 | |
| Caighdeán Idirnáisiúnta IS0 Caighdeán na Gearmáine 3601/1 DIN 3771/1 Caighdeán na Síne GB 3452.1 | 1.8 | 2.65 | 3.55 | 5.30 | 7.00 | - | |
| Caighdeán na Síne GB1235 | 1.9 | 2.4 | 3.1 | 3.5 | 5.7 | 8.6 | |
| Méideanna méadracha is fearr | 1.0 | 1.5 | 2.0 | 2.5 | 3.0 | 3.5 | |
| 4.0 | 4.5 | 5.0 | 5.5 | 6.0 | 7.0 | ||
| 8.0 | 10.0 | 12.0 | - | - | - | ||
| Caighdeán Meiriceánach mar 568 (900 Sraith) |
1.0 2 |
1.42 | 1.63 | 1.83 | 1.98 | 2.08 | |
|
2.2 1 |
2.46 | 2.95 | 3.00 | - | - | ||
Meicníocht ina saothraítear ina shéalú
Is eilimint uathoibríoch uathoibríoch dhá bhealach é an fáinne O. Le linn na suiteála, is é a réamh-chomhbhrú gathacha agus aiseach a chinneann cumas tosaigh an tséalaithe an O-fáinne féin, a mhéadaíonn leis an méadú ar bhrú an chórais.
(1) Stát neamh -chomhbhrúite
(2) Stát comhbhrúite gan brú
(3) Brú
Paraiméadair Feidhmíochta
Tábla 1-2 Paraiméadair Feidhmíochta O-Ring
| Caighdeánach | Séala statach | Séala dinimiciúil |
| Brú oibre | Gan fáinne a choinneáil, is féidir leis an uasmhéid teacht ar 20MPA; Le fáinne coinneála, is féidir leis an uasmhéid teacht ar 40MPA: Le fáinne coinneála speisialta, is féidir leis an uasmhéid 200Mpa a bhaint amach | Gan fáinne a choinneáil, is féidir leis an mbrú uasta teacht ar 5MPa; Le fáinne coinneála, brú níos airde |
| Luas | Max 0.5m/s Max, rothlú 2m/s max rothlach | |
| Teocht | Ócáidí Ginearálta: -30 ~+110, Ócáidí Speisialta: -60 ~+250, Ócáidí rothlacha: -30 ~+80 | |
| Meánach | Féach (Tábla Airíonna Ábhar) | |
Roghnú O-Ring
1. Meán -Oibriú agus dálaí oibre
Agus an t-ábhar O-fáinne á roghnú, ní mór an comhoiriúnacht leis an meán oibre a mheas ar dtús, agus ní mór na dálaí oibre amhail an brú, an teocht, an t-am oibre leanúnach, agus an timthriall oibriúcháin den chuid séalaithe a bhreithniú freisin. Má úsáidtear é i gcás rothlach, ní mór an t -ardú teochta de bharr teas frictional a bhreithniú. Tá airíonna fisiceacha agus ceimiceacha difriúla ag ábhair shéalaithe éagsúla, déan tagairt don "Tábla Airíonna Ábhar" le haghaidh sonraí.
2. Cineál Séala agus Méid Groove Suiteála
.
(2) De réir chuspóir an tséalaithe, is féidir é a roinnt ina: séala poll, séala seafta agus séala rothlach;
.
Séala séala statach
Brú inmheánach: Ba chóir go mbeadh trastomhas seachtrach an O-fáinne agus trastomhas seachtrach an groove D gar go bunúsach nó níos mó ná 1 ~ 3%.
Brú seachtrach: Ba chóir go mbeadh trastomhas inmheánach an fháinne O-gar do nó beagán níos lú ná an trastomhas inmheánach D den groove, ach nach lú ná 6%.
Tábla 1-3 Toisí Suiteála Séala Séala Asaíoch
| Trastomhas sreinge O-fáinne D2 | Doimhneacht groove W+0.05 | Leithead groove L+0.25 | Trastomhas sreinge O-fáinne D2 | Doimhneacht groove W+0.05 | Leithead groove L+0.25 | Trastomhas sreinge O-fáinne D2 | Doimhneacht groove W+0.05 | Leithead groove L+0.25 |
| 1 | 0.7 | 1.4 | 2.7 | 2.1 | 3.8 | 5.7 | 4.6 | 7.6 |
| 1.2 | 0.9 | 1.6 | 2.8 | 2.1 | 4 | 6 | 4.8 | 8.1 |
| 1.25 | 0.9 | 1.7 | 3 | 2.3 | 4.1 | 6.5 | 5.3 | 8.6 |
| 1.3 | 1 | 1.7 | 3.1 | 2.4 | 4.2 | 6.99 | 5.7 | 9.7 |
| 1.5 | 1.1 | 2.1 | 3.5 | 2.7 | 4.8 | 7 | 5.7 | 9.7 |
| 1.6 | 1.2 | 2.2 | 3.53 | 2.7 | 4.9 | 7.5 | 6.2 | 10.1 |
| 1.78 | 1.3 | 2.5 | 3.55 | 2.7 | 5 | 8 | 6.6 | 10.7 |
| 1.8 | 1.3 | 2.6 | 3.6 | 2.8 | 5.1 | 8.4 | 7.1 | 11.1 |
| 1.9 | 1.4 | 2.7 | 3.7 | 2.9 | 5.2 | 8.5 | 7.2 | 11.3 |
| 2 | 1.5 | 2.8 | 4 | 3.1 | 5.5 | 9 | 7.6 | 12 |
| 2.2 | 1.6 | 3.1 | 4.3 | 3.3 | 5.9 | 9.5 | 8.1 | 12.5 |
| 2.4 | 1.8 | 3.3 | 4.5 | 3.5 | 6.1 | 10 | 8.5 | 13.6 |
| 2.5 | 1.9 | 3.5 | 5 | 4 | 6.7 | 10.5 | 8.9 | 14 |
| 2.6 | 2 | 3.6 | 5.3 | 4.2 | 7.2 | 11 | 9.4 | 14.7 |
| 2.62 | 2 | 3.7 | 5.33 | 4.2 | 7.3 | 12 | 10.4 | 15.7 |
| 2.65 | 2 | 3.8 | 5.5 | 4.5 | 7.4 | 15 | 13.2 | 19.4 |
Séala séala statach ar fad
Séala poll gathacha: Tá an groove suiteála ar an seafta, agus tá trastomhas inmheánach an fháinne O-chomhionann le nó beagán níos lú ná an trastomhas bun groove d.
Séala seafta gathacha: Tá an groove suiteála sa pholl, agus tá trastomhas inmheánach an fháinne O agus an trastomhas seafta s séalaithe chomh gar agus is féidir.
| Tábla 1-4 Toisí de Groove Suiteála Séala Statach Gathach | |||||||||||
| Trastomhas sreinge o-fáinne D2 | Doimhneacht groove W+0.05 | Leithead groove L ± 0.25 | C | Trastomhas sreinge o-fáinne D2 | Doimhneacht groove W+0.05 | Leithead groove L ± 0.25 | C | Trastomhas sreinge o-fáinne D2 | Doimhneacht groove W+0.05 | Leithead groove L ± 0.25 | C |
| 1 | 0.75 | 1.3 | 1.2 | 2.7 | 2.1 | 3.6 | 2 | 5.7 | 4.6 | 7.6 | 3.5 |
| 1.2 | 0.9 | 1.6 | 1.2 | 2.8 | 2.2 | 3.7 | 2 | 6 | 4.9 | 7.9 | 3.5 |
| 1.25 | 0.9 | 1.7 | 1.2 | 3 | 2.3 | 3.9 | 2.5 | 6.5 | 5.4 | 8.4 | 4 |
| 1.3 | 1 | 1.7 | 1.2 | 3.1 | 2.4 | 4 | 2.5 | 6.99 | 5.8 | 9.2 | 4 |
| 1.5 | 1.1 | 2 | 1.5 | 3.5 | 2.7 | 4.6 | 2.5 | 7 | 5.8 | 9.3 | 4 |
| 1.6 | 1.2 | 2.1 | 1.5 | 3.53 | 2.7 | 4.7 | 2.5 | 7.5 | 6.3 | 9.8 | 4 |
| 1.78 | 1.3 | 2.4 | 1.5 | 3.55 | 2.8 | 4.7 | 2.5 | 8 | 6.7 | 10.5 | 4 |
| 1.8 | 1.3 | 2.4 | 1.5 | 3.6 | 2.8 | 4.8 | 2.5 | 8.4 | 7.1 | 10.9 | 4.5 |
| 1.9 | 1.4 | 2.5 | 1.5 | 3.7 | 2.9 | 4.9 | 2.5 | 8.5 | 7.2 | 11 | 4.5 |
| 2 | 1.5 | 2.6 | 2 | 4 | 3.2 | 5.2 | 3 | 9 | 7.7 | 11.7 | 4.5 |
| 2.2 | 1.7 | 3 | 2 | 4.3 | 3.4 | 5.6 | 3 | 9.5 | 8.2 | 12.3 | 4.5 |
| 2.4 | 1.8 | 3.2 | 2 | 4.5 | 3.6 | 5.8 | 3 | 10 | 8.6 | 13 | 5 |
| 2.5 | 1.9 | 3.3 | 2 | 5 | 4 | 6.5 | 3 | 10.5 | 9 | 13.8 | 5 |
| 2.6 | 2 | 3.4 | 2 | 5.3 | 4.3 | 7 | 3 | 11 | 9.5 | 14.3 | 5 |
| 2.62 | 2 | 3.5 | 2 | 5.33 | 4.3 | 7.1 | 3.5 | 12 | 10.5 | 15.6 | 5 |
| 2.65 | 2 | 3.6 | 2 | 5.5 | 4.5 | 7.2 | 3.5 | 15 | 13.2 | 19.2 | 5 |
Séala Séala (séala statach)
Is séala O-fáinne é pacáistiú i bhfolús faoi imthosca speisialta, agus tá brú an chórais séalaithe níos ísle ná 1 atmaisféar caighdeánach (101.325KPA).
Is iad seo a leanas a riachtanais maidir le méid an fheidhmithe agus suiteála::
a. Tá an spás groove suiteála beagnach 100% líonta le toirt an O-fáinne tar éis an dífhoirmithe, ar féidir leis an limistéar teagmhála a mhéadú agus an t-am idirleata a shíneadh tríd an leaistiméire.
b. Is é an dífhoirmiúchán comhbhrúite den trasghearradh O-fáinne ná thart ar 30%.
c. Ba chóir ramhar i bhfolús a úsáid (chun sceitheadh a laghdú).
d. Ba chóir go mbreathnófaí ar gharbha dhromchla gach dromchla den groove suiteála níos airde ná na riachtanais a bhaineann le rónta statacha hiodrálacha, agus ba chóir go mbeadh an céatadán den raon teagmhála FTP níos mó ná 50%.
E. Ba chóir go mbeadh an fáinne O-OF as ábhair atá comhoiriúnach le gás, tréscaoilteacht íseal agus dífhoirmiúchán íseal comhbhrúite. Anseo, molaimid go n -úsáidfí florororubber.
④ Séala dinimiciúil hiodrálach
Ós rud é go ndéanfar an fáinne O a dhíláithriú le linn gluaiseachta, tá a chur i bhfeidhm teoranta do bhrú níos ísle (gan fáinne a choinneáil) agus luas (tairiscint frithingeach = 0.5m/s; tairiscint rothlach = 2.0m/s).
3. Fachtóir cruas
Tá cruas an ábhair O-fáinne ar cheann de na táscairí tábhachtacha chun an fheidhmíocht ina saothraítear a mheas. Cinneann cruas an O-fáinne comhbhrú an O-fáinne agus an bhearna easbhrúite incheadaithe uasta den groove. Go ginearálta, cuirtear rubar nítríle an Chladaigh A70 ar fáil, ar féidir leis an gcuid is mó de na coinníollacha úsáide a chomhlíonadh.
4. Bearna easbhrúite
Baineann an bearna easbhrúite uasta incheadaithe G Max le brú an chórais, trastomhas trasghearrthach an O-fáinne, agus cruas an ábhair. Go ginearálta, dá airde an brú oibre, is ea is lú an bearna easbhrúite uasta incheadaithe g max. Má sháraíonn an bhearna g an raon incheadaithe, cuirfidh sé faoi deara go ndéanfaí an fáinne O-easbhrúite nó go ndéanfar damáiste dó.
Moltar fáinne coinneála a úsáid i rónta dinimiciúla gathacha, ar féidir leo cosc a chur ar an bhfáinne O-bhrú a bheith brúite isteach sa bhearna gathacha agus an brú oibre a mhéadú freisin. Nuair a sháraíonn an brú 5MPa agus is é an trastomhas inmheánach> 50mm, agus tá an brú níos mó ná 10MPa agus is é an trastomhas istigh <50mm, moltar fáinne coinneála a úsáid.
Maidir le hiarratais ar rónta statach, moltar H7/G6 a mheaitseáil.
5. Rátaí teanntachta agus comhbhrúite
Nuair a bheidh an fáinne O-suiteáilte sa groove, déanfar é a shíneadh agus a chomhbhrú go pointe áirithe. Má tá na luachanna síneadh agus comhbhrúite ró-mhór, beidh trasghearradh an fháinne O-mhéadaithe nó laghdófar go rómhór. Chun gan tionchar a imirt ar a éifeacht ina saothraítear rónta, moltar an dá phointe seo a leanas a leanúint go docht:
.
Fadú = (D-2/D2) × 100% < 6%
Sa chothromóid: d-trastomhas bun an groove gléasta sa séala poll gathacha
d2-trastomhas inmheánach an fháinne O-fáinne
.
Cóimheas Comhbhrúite = (D1-D)/D1 × 100% < 3%
Sa chothromóid: Trastomhas D1-Uisce na Fáinne O-Fáinne
Trastomhas D-bun an groove gléasta i séala seafta gathacha
6. Úsáidtear fáinní O mar rónta seafta rothlacha
Is féidir fáinní O a úsáid freisin mar rónta le haghaidh uainíochta ísealluais agus seafta rothlacha gearrthéarmacha. Nuair a bhíonn an luas imlíne níos ísle ná 0.5m/s, is féidir an roghnú O-fáinne a bheith bunaithe ar ghnáthchaighdeáin dearaidh; Nuair a bhíonn an luas imlíne níos airde ná 0.5m/s, is gá machnamh a dhéanamh ar an bhfeiniméan go laghdóidh an fáinne rubair fadaithe tar éis é a théamh (feiniméan teasa Joule), mar sin roghnaítear trastomhas inmheánach an fháinne ina saothraítear rónta thart ar 2% níos mó ná trastomhas na seafta séalaithe, agus is féidir an fenomenon thuas a sheachaint. Tar éis don O-fáinne a bheith suiteáilte sa groove, tá sé comhbhrúite go radacach chun corraíl bhreá a dhéanamh, rud a fheabhsaíonn na coinníollacha bealaithe.
7. Fórsa comhbhrúite suiteála
Le linn na suiteála, baineann an fórsa comhbhrúite le méid an chomhbhrú tosaigh agus cruas an ábhair. Taispeánann an figiúr an gaol idir an fórsa comhbhrúite aonaid agus an trastomhas trasghearrthach in aghaidh an cheintiméadair den imlíne róin, a úsáidtear chun méid an fhórsa comhbhrúite a mheas agus an fáinne O-á shuiteáil.
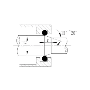
Dearadh Struchtúr Áitiúil
Toisc go gcuirfear brú ar an bhfáinne O le linn na suiteála, chun damáiste tromchúiseach a sheachaint, ní mór deireadh an phoill nó an deireadh seafta a phróiseáil i gcamfer 15 ° ~ 20 °, agus caithfear na himill a chothromú agus na burrs a bhaint. Má tá an O-fáinne le dul trí pholl trasnach le linn na suiteála, ní mór an poll trasdula a chamfered nó a chothromú freisin.
Chamfer Poll
Chamfer seafta
Chamfering/Slánú poill aistrithe
Tábla 1-10 cmin íosta camfer cmí Miannach
| Trastomhas rannóige w | ≤1.78, 1.80 | ≤2.62, 2.65 | ≤3.53, 3.55 | ≤5.30, 5.33 | ≤7.00 | > 8.40 | |
| Fad íosta chamfer cmí Miannach | 15 ° | 2.5 | 3.0 | 3.5 | 4.0 | 5.0 | 6.0 |
|
|
20 ° | 2.0 | 2.5 | 3.0 | 3.5 | 4.0 | 4.5 |
Garbha dhromchla Chamfer: RZ≤4.0μM RA≤0.8μm
Claontaí incheadaithe de lochtanna cruth agus dromchla
Déanaimid na cruthanna agus na lochtanna dromchla O-fáinní a rangú ina dhá chatagóir: N agus S.
(1) N: Léiríonn sé ár gcaighdeán caighdeánach, ar féidir leis riachtanais ardchaighdeáin agus feidhmchláir laethúla a chomhlíonadh go hiomlán.
(2) S: Oiriúnach do ócáidí a bhfuil riachtanais an -ard acu maidir le lochtanna cruth agus dromchla, a éilíonn táirgeadh mór agus costas ard de ghnáth.
Mí -ailíniú múnla d
Flash scoilteadh múnla H
Crapadh scoilteadh múnla
Scamhadh iomarcach
Marcanna Sreafa
Lochtanna eile
| Tábla 1-8 Cruth O-fáinne agus lochtanna dromchla | ||||
| Locht | Catagóir | Diall incheadaithe alt W | ||
| ≤2.65 | > 2.65 | |||
| Modal earráide | Leithead h | N | 0.06 | 0.12 |
| Splancmhéid | Leithead h | S | 0.05 | 0.09 |
| Crapadh scaradh | Leithead h | N | 0.1 · w | 0.1 · w |
| Leithead h | 0.05 | 0.09 | ||
| Leithead h | S | 0.05 · w | 0.05 · w | |
| Leithead h | 0.05 | 0.09 | ||
| Leithead iomarcach bearrtha (ceadaítear an iomarca scamhadh, ach caithfidh sé a bheith laistigh de raon diall na trasghearrtha agus caithfear an dromchla a choinneáil réidh) | Leithead h | N | 0.4 | 1.2 |
| Leithead h | S | 0.4 | 0.7 | |
| Marcanna sreafa (treo imlíne) | Tiús a | N | 0.1 · ID | 0.1 · ID |
| Doimhneacht f | 0.03 | 0.06 | ||
| Tiús a | S | 0.05 · ID | 0.05 · ID | |
| Doimhneacht f | 0.03 | 0.06 | ||
| Lochtanna eile | Tiús a | N | 0.3 · w | 0.3 · w |
| Doimhneacht f | 0.05 | 0.09 | ||
| Tiús a | S | 0.1 · w | 0.1 · w | |
| Doimhneacht f | 0.03 | 0.06 | ||
| Garbh dromchla | μm | N | 10 | 16 |
| μm | S | 5 | 6 | |
| Torann | / | N | Cead a thabhairt do | |
| / | S | Cead a thabhairt do | ||
Treoir stórála
D'fhonn airíonna fisiceacha agus ceimiceacha na bhfáinní O a sheachaint de bharr stórála fadtéarmach, tá gá le timpeallacht stórála réasúnta chun a chinntiú nach ndéantar difear do na fáinní O le linn stórála fadtéarmacha.
Le linn stórála, ba chóir na pointí seo a leanas a bhreathnú:
(1) caithfidh an timpeallacht stórála a bheith tirim, saor ó dheannach agus aeráil go maith;
(2) ba chóir go mbeadh an teocht os cionn +15 ℃ ach gan a bheith níos mó ná +20 ℃;
(3) Stóráil i málaí pacáistithe log oiread agus is féidir, agus seachain comhábhair a dhéanann damáiste d'ábhar an fháinne;
(4) Seachain solas díreach sa timpeallacht stórála agus coinnigh ar shiúl ó fhoinsí solais ultraivialait;
.
(6) Tá cosc air ceangal le teaghrán nó crochadh ar chodanna miotail.







Seoladh
Uimh.1 Bóthar Ruichen, Páirc Tionscail Dongliuting, Chengyang Dúiche, Cathair Qingdao, Cúige Shandong, an tSín
Teil
R-phost